Neprijeten vonj se med drugim lahko pojavi pri napravah za čiščenje odpadne vode, napravaj za obdelavo blata, kompostarnah, solarnih sušenjih,….
Ni pa pojav omejen samo na komunalno dejavnost, pojavi se lahko tudi v prehrambeni industriji, farmacevtski industriji in drugih industrijah.
Sistemi za odstranjevanje neprijetnih ali neželjenih vonjav:
- Pralniki/izplakovalci (ali tudi imenovani scruberji)
- Biofiltri
- Zeolitni filtri
Razlike med njimi so predvsem naslednje:
- Pralniki: enostavna regulacija pri doziranju kemikalij po potrebi in se lahko zelo hitro odzovejo na zelo visoke koncentracije snovi, ki povzročajo neprijetne vonjave.
- Biofiltri: dobro delujejo pri nizkih in stalnih koncentracijah onesnaževal, vendar lahko pride do zakisanja in zamašitve, če je v zraku preveč sulfida.
- Zeolitni filtri: varčni pri majhnih pretokih onesnaženega zraka, zeolitne materiale obnavljamo vsaki dve leti.

Najbolj vsestranska tehnika katera se v zadnjem času uporablja za odstranjevanje neprijetnih vonjav iz zraka so tako imenovani pralniki zraka.
Pri tem poznamo več vrst konfiguracij pralnikov:
- Dvojni stolpni pralniki
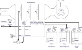
Prvi stolp se uporablja za nevtralizacijo amoniaka z žveplovo kislino. Drugi stolp se uporablja za oksidacijo vodikovega sulfida in merkaptanov s peroksidom v alkalnem okolju. - Pralniki z enim stolpom.
Postopek poteka pri nizkem pH in nevtralizaciji amoniaka z žveplovo kislino. Doziranje kloritne kisline (HCLO2) in peroksida za oksidacijo vodikovega sulfida in merkaptanov. - »Semi kros flow« (polkrižni) pralnik
Uporablja se lahko kot pralniki z dvema ali enim stolpom


Primer: »Semi kros flow« (polkrižni) pralnik z enim stolpom.